مدار ضرب کننده ولتاژ – از صفر تا صد
ضرب کننده ولتاژ (Voltage Multiplier) یک نوع از مدارات دیودی یکسوساز محسوب میشود. این مدار قادر است ولتاژی را در خروجی تولید کند که چند برابر بزرگتر از ولتاژ دریافتی در ورودی است. در این مطلب قصد داریم به بررسی ساختار، انواع و اصول کار مدار ضرب کننده ولتاژ بپردازیم.


در مدارات یکسوساز (Rectifier) دیدیم که ولتاژ خروجی DC که توسط یکسوساز کنترل میشود، دارای مقداری پایینتر از مقدار ولتاژ ورودی اصلی به یکسوساز است. اما مدارات ضرب کننده ولتاژ نوعی از مدارت یکسوساز دیودی هستند که میتوانند ولتاژی را در خروجی تولید کنند که چندین برابر بزرگتر از مقدار ولتاژ اعمال شده به ورودی است. اگرچه در مدارات الکترونیکی امری متداول است که از یک ترانسفورمر (Transformer) ولتاژ برای افزایش سطح ولتاژ استفاده شود، اما گاهی ممکن است دسترسی به یک ترانسفورمر افزاینده (Step-up Transformer) و یا یک ترانسفورمر ایزوله مخصوص برای کاربردهای ولتاژ بالا امکانپذیر نباشد.
بنابراین باید از روش دیگری به این منظور استفاده کرد. یک راه دیگر برای انجام این کار این است که از مدار ضرب کننده ولتاژ دیودی بهره ببریم. این مدار سطح ولتاژ را بدون نیاز به ترانسفورمر بالا میبرد. ضرب کننده ولتاژ از بسیاری جهات شبیه به مدار یکسوساز است؛ زیرا هر دو مدار قادر هستند ولتاژ AC ورودی را به ولتاژ DC خروجی تبدیل کنند. تبدیل ولتاژ C به DC در مدارهای الکتریکی و الکترونیکی متنوعی کاربرد دارد. به عنوان مثالی از کاربردهای مدارت یکسوساز میتوان به اجاقهای مایکروویو، سیمپیچهای میدان الکتریکی قوی در لولههای کاتدی و تجهیزات تست الکترواستاتیک و ولتاژ بالا اشاره کرد. در تمام این مدارات لازم است که یک ولتاژ DC بسیار بزرگ را از یک منبع تغذیه AC نسبتا کوچک تولید کرد.
مدار ضرب کننده ولتاژ
معمولا ولتاژ خروجی DC یک مدار یکسوساز توسط مقدار پیک یا بیشینه ولتاژ سینوسی ورودی محدود میشود. اما از طریق استفاده از یک مدار یکسوساز دیودی به همراه خازن میتوان به صورت موثری ولتاژ پیک ورودی را افزایش داد، به نحوی که یک ولتاژ DC برابر با مضربی فرد یا زوج از پیک ولتاژ ورودی در خروجی به دست آید.
تصویری از یک مدار ضرب کننده ولتاژ تمام موج ساده در زیر نشان داده شده است.

مدار فوق یک ضرب کننده ولتاژ کاملا متقارن ساده را نشان میدهد که از دو مدار یکسوکننده نیم موج ساخته شده است. از طریق اضافه کردن یک دیود و یک خازن به خروجی مدار یکسوساز نیم موج استاندارد، میتوانیم مقدار ولتاژ خروجی را به یک اندازه مشخص افزایش دهیم. این آرایش از ضرب کنندههای ولتاژ را تحت عنوان ضرب کننده ولتاژ سری تمام موج (Full Wave Series Multiplier) نیز میشناسند؛ زیرا در هر نیم سیکل از شکل موج ولتاژ ورودی، یکی از دیودها در مود هدایت قرار میگیرد که این ویژگی مشابه با مدارات یکسوساز تمام موج است.
در مدار ضرب کننده ولتاژ تمام موج بالا، زمانی که سیگنال ولتاژ سینوسی ورودی مثبت باشد، خازن از طریق دیود شارژ میشود و زمانی که ولتاژ سینوسی منفی باشد، خازن از طریق دیود شارژ خواهد شد. در نهایت ولتاژی که از سر دو خازن سری با یکدیگر گرفته میشود، برابر با است.
ولتاژی که توسط مدار ضرب کننده ولتاژ تولید میشود، از لحاظ تئوری میتواند بینهایت باشد. اما به دلیل رگولاتور ولتاژ نسبتا ضعیف و نیز ظرفیت جریان پایین در این مدارت، معمولا فاکتور افزایش ولتاژ کمتر از مقدار ده خواهد بود. اما اگر طراحی با استفاده از یک ترانسفورمر مناسب انجام شود، آنگاه مدار ضرب کننده ولتاژ، بسته به مقدار ولتاژ ورودی اصلی، قادر خواهد بود که ولتاژ خروجی در بازه چند صد تا چند هزار ولت را در خروجی ایجاد کند. البته تمام این مقادیر ولتاژ خروجی، دارای مقادیر جریان کوچک در بازه میلی آمپر خواهند بود.
مدار دو برابر کننده ولتاژ
همان طور که از نام این مدار مشخص است، یک مدار دو برابر کننده ولتاژ (Voltage Doubler) مداری است که دارای فاکتور ضرب ولتاژ برابر با دو باشد. مدار فقط از دو دیود، دو خازن و یک ولتاژ ورودی نوسانی سینوسی AC (یا یک شکل موج PWM) تشکیل شده است. این مدار ساده دیودی خازنی، در خروجی مقدار ولتاژ DC را ایجاد میکند که برابر با مقدار قله به قله (Peak-to-Peak) ورودی سینوسی است.
به عبارت دیگر، این مدار مقدار پیک یا قله ولتاژ ورودی را دو برابر میکند؛ زیرا دیود و خازن همراه با یکدیگر عمل میکنند و ولتاژ را دو برابر میکنند. در تصویر زیر نمایی از یک مدار دو برابر کننده ولتاژ نشان داده شده است.

اصول کار مدار دو برابر کننده ولتاژ
در این قسمت قصد داریم به بررسی اصول کار مدار دو برابر کننده ولتاژ بپردازیم. مدار نشان داده شده در تصویر فوق، یک دو برابر کننده ولتاژ نیم موج است. در طول نیم سیکل منفی از سیگنال سینوسی ورودی، دیود در مود بایاس مستقیم قرار میگیرد و خازن را تا مقدار پیک ولتاژ ورودی شارژ میکند. به دلیل اینکه هیچ مسیر بازگشتی برای دشارژ خازن وجود ندارد، این خازن کاملا پر باقی میماند و مانند یک ذخیرهکننده شارژ، سری با منبع تغذیه ولتاژ عمل میکند.
در طول نیم سیکل مثبت شکل موج ولتاژ ورودی، دیود در مود بایاس معکوس قرار میگیرد و مسیر دشارژ خازن را مسدود میکند و دیود در مود بایاس مستقیم قرار میگیرد و خازن را شارژ میکند. اما به دلیل اینکه ولتاژ موجود در دو سر خازن هم اکنون برابر با پیک ولتاژ ورودی است، خازن به اندازه دو برابر مقدار پیک سیگنال ولتاژ سینوسی ورودی شارژ میشود.
به عبارت دیگر، ولتاژ در خازن برابر با ولتاژ پیک در نیم سیکل مثبت به علاوه ولتاژ پیک در نیم سیکل منفی خواهد بود. بنابراین در نیم سیکل منفی، دیود ، خازن را به اندازه شارژ میکند و در نیم سیکل مثبت، دیود ، ولتاژ پیک AC را به مقدار موجود در خازن اضافه میکند و تمام این مقدار را به خازن منتقل میکند. ولتاژ موجود در دو سر خازن از طریق بار متصل به مدار در نیم سیکل بعدی دشارژ یا تخلیه خواهد شد.
بنابراین، ولتاژ موجود در دو سر خازن را میتوان به صورت زیر محاسبه کرد:
البته از مقدار بالا باید مقدار افت ولتاژ دیود مورد استفاده در مدار را نیز کسر کرد. در فرمول فوق، مقدار پیک ولتاژ ورودی است. به یاد داشته باشید که ولتاژ خروجی دو برابر شده، به صورت آنی نیست، بلکه در هر سیکل ورودی به آهستگی افزایش مییابد تا در نهایت به مقدار برسد.
به دلیل اینکه خازن فقط در یک نیم سیکل از شکل موج ورودی شارژ میشود، مقدار ولتاژ خروجی منتج که در بار دشارژ میشود، دارای فرکانس ریپل (Ripple) برابر با فرکانس منبع تغذیه است. عیب اصلی این مدار در این است که صاف کردن ریپلهای بزرگ موجود در شکل موج ولتاژ خروجی این مدار کاری بسیار دشوار است و نمیتوان از روشهایی استفاده کرد که در مدارات یکسوساز نیم موج مورد استفاده قرار میگیرند. همچنین خازن باید دارای نرخ ولتاژ DC حداقل دو برابر مقدار پیک ولتاژ ورودی باشد. در تصویر زیر نمایی از شکل موج ولتاژهای ورودی و خروجی مدار دو برابر کننده ولتاژ نشان داده شده است.

اما مزیت عمده مدار ضرب کننده ولتاژ فوق در این است که امکان ایجاد ولتاژهای بزرگتر از یک منبع ولتاژ کوچک را بدون نیاز به یک ترانسفورمر ولتاژ بالا و گران فراهم میکند. در واقع مدار دو برابر کننده این امکان را ایجاد میکند که در صورت استفاده از منبع تغذیه تمام موج معمولی، بتوان از یک ترانسفورمر با پلههای کوچک و نرخ بالا استفاده کرد. البته به این نکته باید توجه کرد که مدار ضرب کننده ولتاژ قادر است ولتاژ را ارتقا دهد، اما فقط مقدار جریان پایینی را برای بارهای با مقاومت بزرگ (۱۰۰ کیلو اهم) تامین میکند؛ زیرا با افزایش جریان بار، ولتاژ تولید شده در خروجی به سرعت افت خواهد کرد.
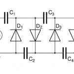
مدار سه برابر کننده ولتاژ
با برعکس کردن جهت دیودها و خازنها در مدار ضرب کننده ولتاژ، میتوانیم جهت ولتاژ خروجی را نیز برعکس کنیم و یک ولتاژ منفی را در خروجی تولید کنیم. همچنین اگر خروجی یک ضرب کننده ولتاژ را به صورت آبشاری به ورودی یک ضرب کننده ولتاژ دیگر متصل کنیم، آن گاه قادر خواهیم بود که به افزایش سطح ولتاژ DC تولید شده در خروجی در گامهای صحیح ادامه دهیم و مدارات سه برابر کننده ولتاژ (Voltage Tripler)، چهار برابر کننده ولتاژ (Voltage Quadruplers) و ... را پیادهسازی کنیم.
در تصویر زیر نمایی از یک مدار سه برابر کننده ولتاژ را مشاهده میکنید.

از طریق اضافه کردن یک طبقه متشکل از دیود و خازن به مدار دو برابر کننده ولتاژ نیم موج قبلی، میتوان یک مدار ضرب کننده ولتاژ جدید را ایجاد کرد. این مدار قادر است ولتاژ ورودی را با ضریب سه افزایش دهد و به همین دلیل به این مدار سه برابر کننده ولتاژ گفته میشود.
یک مدار سه برابر کننده ولتاژ، از نصفی از مدار دو برابر کننده ولتاژ به اضافه یک مدار کامل دو برابر کننده ولتاژ ساخته شده است. در خروجی یک مدار سه برابر کننده ولتاژ، یک مقدار ولتاژ DC تولید میشود که مقدار آن برابر با سه برابر پیک ولتاژ سیگنال سینوسی ورودی به مدار () است. همانند مدار دو برابر کننده ولتاژ قبلی، دیودهای موجود در مدار سه برابر کننده ولتاژ نیز میتوانند مسیر دشارژ خازن را مسدود کنند که این عمل به اینکه جهت نیم سیکل ورودی به کدام طرف باشد، بستگی دارد.
بنابراین در دو سر خازن ولتاژ و در دو سر خازن نیز ولتاژ ایجاد میشود. همچنین به دلیل اینکه دو خازن و به صورت سری به یکدیگر متصل شدهاند، بار متصل به خروجی، مقدار ولتاژی معادل با را در دو سر خود دریافت خواهد کرد. توجه کنید که ولتاژ خروجی واقعی به صورت سه برابر پیک ولتاژ ورودی منهای افت ولتاژ در طول دیودهای مورد استفاده، محاسبه خواهد شد.
مدار چهار برابر کننده ولتاژ
اگر یک مدار سه برابر کننده ولتاژ را بتوان از طریق اتصال آبشاری یک و نیم مدار ضرب کننده ولتاژ ایجاد کرد، آنگاه مدار چهار برابر کننده ولتاژ را نیز میتوان از طریق اتصال آبشاری دو مدار دو برابر کننده ولتاژ کامل پیادهسازی کرد.
در تصویر زیر نمایی از یک مدار چهار برابر کننده ولتاژ نشان داده شده است.

اولین طبقه از این مدار ضرب کننده ولتاژ، قادر است پیک ولتاژ ورودی را دو برابر کند. طبقه دوم از مدار ضرب کننده نیز مجددا پیک ولتاژ دریافتی خود را دو برابر میکند. به همین دلیل، مقدار ولتاژ DC تولید شده در خروجی این مدار به اندازه چهار برابر مقدار پیک سیگنال سینوسی دریافتی در ورودی مدار است. همچنین استفاده از خازنهای با مقادیر بزرگ، به کاهش ریپل ولتاژ خروجی کمک خواهند کرد.
خلاصه مدار ضرب کننده ولتاژ
در این مطلب به بررسی مدارات ضرب کننده ولتاژ پرداختیم و دیدیم که یک مدار ضرب کننده ولتاژ را چگونه میتوان به سادگی با استفاده از المانهایی نظیر دیود و خازن ایجاد کرد. این مدارات قادر هستند سطح ولتاژ خروجی را با ضرایب صحیح ۲، ۳، ۴ و ... افزایش دهند. برای پیادهسازی یک مدار ضرب کننده ولتاژ از مرتبه بالاتر، میتوان چند مدار ضرب کننده ولتاژ مرتبه پایین کامل یا نصف را به صورت آبشاری به یکدیگر متصل کرد. با انجام این کار، بدون نیاز به یک ترانسفورمر افزایشی میتوان به ولتاژ DC مورد نیاز برای اعمال به بار دست یافت.
بر حسب نسبت بین ولتاژ دریافت شده در خروجی به ولتاژ اعمال شده به ورودی، میتوان مدارات ضرب کننده ولتاژ را به دو برابر کننده، سه برابر کننده، چهار برابر کننده و ... طبقهبندی کرد. از نظر تئوری، هر مقدار ولتاژ دلخواه را میتوان با استفاده از مدار ضرب کننده ولتاژ در خروجی به دست آورد و اتصال آبشاری N مدار دو برابر کننده ولتاژ، منجر به تولید ولتاژ خروجی به اندازه ولت خواهد شد.
به عنوان مثال، یک مدار ضرب کننده ولتاژ ۱۰ طبقه با مقدار پیک ولتاژ ورودی ۱۰۰ ولت، بدون استفاده از ترانسفورمر و با فرض عدم اتلاف در مدار قادر است ولتاژ خروجی به اندازه ۲۰۰۰ ولت یا ۲ کیلو ولت را در خروجی تولید کند. البته دیودها و خازنهای مورد استفاده در تمام مدارات ضرب کننده ولتاژ باید دارای کمینه نرخ ولتاژ شکست معکوس حداقل دو برابر پیک ولتاژ دریافتی در دو سر خود باشند. زیرا مدارات ضرب کننده ولتاژ چند طبقه میتوانند در خروجی ولتاژ بسیار بزرگی ایجاد کنند و به همین دلیل باید هنگام کار با این مدارات احتیاط کرد.
همچنین مدارات ضرب کننده ولتاژ معمولا برای بارهای بزرگ، مقدار جریان کوچکی را فراهم میکنند؛ زیرا ولتاژ دریافتی در خروجی با افزایش جریان بار، به سرعت افت خواهد کرد. تمام مدارات ضرب کننده ولتاژ بالا، به صورتی طراحی شدهاند که در خروجی یک ولتاژ DC مثبت را ایجاد کنند. اما میتوان طراحی را به نحوی انجام داد که ولتاژ خروجی منفی را هم تولید کنند. برای این کار میتوان به سادگی پلاریته تمام خازنها و دیودهای ضرب کننده را برعکس کرد تا در خروجی ولتاژ DC منفی به دست آید.
اگر علاقهمند به یادگیری مباحث مشابه مطلب بالا هستید، آموزشهایی که در ادامه آمدهاند نیز به شما پیشنهاد میشوند:
- مجموعه آموزشهای مهندسی الکترونیک
- آموزش الکترونیک ۲
- مجموعه آموزشهای مهندسی برق
- فیدبک (Feedback) در سیستم های کنترل — مفاهیم اصلی
- مقاومت پول آپ — از صفر تا صد
- مدار واسط ورودی — راهنمای جامع
- اشمیت تریگر با اپ امپ — از صفر تا صد
^^













با تشکر فروان درس عالی بود
اما سوال من اینجاست که با این شیوه میشود ولتاژ را تاحدود 1000 کیلو ولت برسانیم
با تشکر فراوان آموزش مفید و کار بردی بود
مقدار خازن و دیود چقدر است و دیود چند آمپر باشد؟
با سلام؛
اگر پرسش خود را دقیقتر مطرح کنید، برای پاسخ به سوال، بهتر میتوانیم شما را کمک کنیم.
با تشکر از همراهی شما با مجله فرادرس
با تشکر فراوان از مجموعه محترم فرادرس؛ به طور کلی اگر مطالب به همراه یک مثال {عملی و ساده} مطرح گردند، کیفیت فرایند انتقال مفهوم به ذهن مخاطب نیز مانند همین ظرب کنند ولتاژ چندین برابر می گردد. البته نه این که برای هر موضوع یک کارگاه دایر شود. فقط این که ارائه آموزش به صورت کاملا وایتبوردی و تئوری و یکسویه {با توجه به این که امکان سوال از مدرس نیز برای مخاطب وجود ندارد تا موضوع برایش جا بیافتد}؛ قابلیت استفاده از آموزش برای افراد را بسیار پایین می آورد – با سپاس
با سلام؛
از ارائه بازخورد شما بسیار سپاسگزاریم. سعی نویسندگان مجله فرادرس بر این هست که محتوا تا حد ممکن به سوالات کاربران پاسخ دهد. از اینرو، در بسیاری از مطالب، تلاش میکنیم تا مثالهای مناسبی را در در مطالب بهکار ببریم.
با تشکر از همراهی شما با مجله فرادرس
با تشکر از مطالب خوبتون.مداری نیاز دارم ولتاژ dc ورودی را در خروجی dc4برابر کنه لطفا راهنمایی کنید.
سلام عرض ادب ما با استفاده از چه قطعاتی میتونیم ولتاژ دی سی به دی سی رو دوبرابر کنیم مثلا تبدیل 5ولت دی سی به 10ولت دی سی خواهشمندم بگین خیلی مهمه برام میخوام خودم مدارشو بسازم،، نمیخوام ماژول افزاینده ولتاژ بخرم
سلام، خسته نباشید
ببخشید من یه مدار اینونتر ساختم که توی ولتاژ ثانویه ac هست و فقط میسوزونه و خبری از ولتاژ بالا نیست، آیا با مدار ضرب کننده ولتاژ، رسیدن به 3 کیلوولت امکان پذیر هست؟
سلام اموزش خیلی خوبه اما کاش میشود یک کار عملی در اخر درس انجام میدادید مثلا در درس نوسان ساز ها میشود اموزش یک شارژر ساده که برق dcبه acتبدیل میکند داد ممنونم از لطف شما
سلام استاد عزیز خیلی ممنون از توضیحات خوبتون . حالا اگر خازن بیپلار استفاده کنیم چی میشه؟
سلام خسته نباشید
من دنبال مداری هستم که بتونم به ورودیش یه ولتاژ صفر تا 24 ولت بدم و به اون یکی ورودی هم ولتاژ بین صفر تا 0.5 ولت ، در صورتی که ولتاژ بین 0 تا 0.5 ولت باشه خروجی یک سیگنال با دامنه خیلی کمی رو نشون بده و ولتاژ خروجی رو هم صفر نشون بده و در صورتیکه ولتاژ بالاتر از 0.5 ولت باشه ، در خروجی همون ولتاژ 24 ولت و افزایش دامنه سیگنال خروجی رو داشته باشیم ممنون میشم راهنماییم کنید
میتونی از یک ترانزیستور سیلیسیومی استفاده کنی
به این صورت که بیس ترانزیستور رو به مثبت ولتاژ نیم ولتی و امیتر ترانزیستور رو به منفی ولتاژ نیم ولتی اتصال بدی (ترانزیستور npn باشد) و کلکتور ترانزیستور رو به مثبت منبع ۲۴ ولتی متصل کنی و مثبت خروجی رو از امیتر ترانزیستور و منفی هم از منفی منبع تغذیه ۲۴ ولتی بگیر
نحوه کار به این صورته که اگه ولتاژ بین صفر و نیم ولت باشه ترانزیستور خاموشه در نتیجه منبع ۲۴ ولتی قطع است همین که ولتاژ برابر ۶ دهم ولت (ولتاژ کار ترانزیستور ) یا بالا تر برود ترانزیستور روشن و منبع ۲۴ ولتی متصل میشود
سلام
فقط برام سواله که جریان خروجیش چقدر میشه
یعنی چجوری جریان خروجیشو بدونیم نسبت به تعداد پله ها
باسلام وتشکر باتوجه به اینکه ولتاژورودی متناوب است ولی در آموزش چهاربرابرکننده ولتاژ آن را دی سی نشان دادید ویاشاید من اشتباه برداشت کردم؟
سلام.
همانگونه که در فیلم آموزش به آن اشاره شده، ولتاژ ورودی AC و خروجی DC است.
از اینکه با مجله فرادرس همراه هستید، خوشحالیم.
با سلام و تشکر فراوان
در مثال بالا لطفا اصلاح کنید
Vout=2N.Vp
Vout=2*10*100=2000
می باشد.
سلام.
اصلاحالت لازم انجام شد.
از توجه شما سپاسگزاریم.