مبدل بوست (Boost) یا افزاینده – به زبان ساده
در آموزشهای قبلی مجله فرادرس، با قطعات الکترونیک قدرت و کاربردهای آنها آشنا شدیم. همچنین مفاهیم اولیه و انواع مبدلهای DC/DC را به طور خلاصه بیان کردیم. در یک آموزش نیز به بررسی مبدل باک پرداختیم. در این آموزش، مبدل بوست (Boost Converter) یا افزاینده را معرفی خواهیم کرد که ولتاژ DC ورودی را به یک ولتاژ DC بزرگتر در خروجی افزایش میدهد.


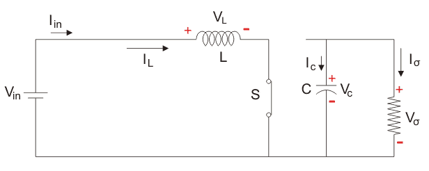
شکل زیر، یک مبدل بوست را نشان میدهد.

همانگونه که از شکل بالا مشخص است، منبع ولتاژ به یک سلف متصل شده است. یک قطعه حالت جامد نیز موازی با آن دو قرار گرفته که میتواند یک ماسفت (MOSFET) قدرت یا IGBT باشد. معمولاً از تریستورها در مبدلهای DC/DC استفاده نمیشود؛ زیرا خاموش کردن یک تریستور در مدار DC/DC نیازمند یک کموتاسیون دیگر است که خود مستلزم استفاده از تریستور دیگری خواهد بود. این در حالی است که میتوان به سادگی، ماسفت قدرت را با اعمال ولتاژ به پایههای گیت و سورس و نیز IGBT را با اعمال ولتاژ به پایههای گیت و کلکتور خاموش کرد.
کلید نیمهرسانای دیگر که در مدار مبدل بوست به کار رفته، یک دیود است. بار نشان داده شده در شکل 1 نیز یک بار مقاومتی خالص است.
اتصال سلف به منبع ورودی سبب جریان ورودی ثابت میشود و بنابراین، مبدل بوست مانند یک منبع با جریان ورودی ثابت به نظر میرسد. بار را نیز میتوان به عنوان یک منبع ولتاژ ثابت در نظر گرفت.
سوئیچ کنترلشده با استفاده از مدولاسیون پهنای پالس (PWM)، خاموش و روشن میشود. PWM میتواند مبتنی بر فرکانس یا زمان باشد. مدولاسیون مبتنی بر فرکانس، معایبی از قبیل وجود محدوده گستردهای از فرکانسها برای رسیدن به کنترل مناسب به منظور رسیدن به ولتاژ خروجی مطلوب دارد. این گستردگی محدوده فرکانس، منجر به یک طراحی پیچیده برای قطعات میشود.
در مبدلهای DC/DC اغلب از مدولاسیون مبتنی بر زمان استفاده میشود. تولید و استفاده از این مدولاسیون ساده است و در آن، فرکانس ثابت میماند.
مُدهای کاری مبدل بوست
مبدل بوست دو مد کاری دارد. مد اول، وقتی است که کلید روشن بوده و جریان را هدایت میکند.
شکل زیر، این مد کاری را نشان میدهد.

در مد کاری اول، با کل جریان سلف از کلید میگذرد و از طریق آن به منبع باز میگردد. ولتاژ خازن در حالت ماندگار برابر با ولتاژ خروجی است. فرض کنید کلید به مدت روشن و به اندازه خاموش است. با در نظر گرفتن دوره تناوب به گونهای که ، فرکانس سوئیچینگ به صورت زیر است:

اکنون پارامتر دیگری به نام چرخه وظیفه (Duty Cycle) را به صورت زیر تعریف میکنیم:

حال، عملکرد حالت ماندگار مبدل بوست را در مد اول بررسی میکنیم. با استفاده از KVL، میتوان نوشت:

وقتی کلید به مدت روشن باشد، میتوان گفت و داریم:

هنگام تحلیل مبدل بوست، باید نکات زیر را در نظر داشته باشید:
- جریان سلف پیوسته است.
- جریان حالت ماندگار در طول زمان روشن بود کلید، با شیب مثبتی از یک مقدار مثبت به مقدار ماکزیمم میرسد و سپس با یک شیب منفی کاهش یافته و به مقدار قبلی خواهد رسید. بنابراین، تغییر خالص جریان در هر تناوب صفر است.
در مد دوم، انرژی ذخیرهشده در سلف آزاد شده و بدون محدودیت در مقاومت بار تلف میشود. این اتفاق سبب میشود عبور جریان در بار تداوم داشته باشد. به این ترتیب، برای تحلیل مدار در این مد، از KVL استفاده میکنیم.

بنابراین، در حالت ماندگار، میتوانیم روابط زیر را با استفاده از KVL برای مد کاری دوم مبدل بوست بنویسیم:

از آنجایی که کلید در زمان باز است، میتوانیم بگوییم که در این مد، است. بنابراین، تغییرات جریان در این مد به صورت زیر محاسبه میشود:

قبلاً گفتیم که تغییرات خالص جریان سلف در هر چرخه یا دوره تناوب، برابر با صفر است. بنابراین، میتوان نوشت:

میدانیم که بین و تغییر میکند. اما با توجه به معادله بالا، میتوان گفت که اگر باشد، آنگاه نسبت ولتاژ خروجی به ولتاژ ورودی در حالت ماندگار به بینهایت میل میکند که عملاً امکانپذیر نیست. در حقیقت، از آنجایی که مبدل بوست، یک مدار غیرخطی است، اگر اندازه از فراتر رود، منجر به ناپایداری خواهد شد.
در ادامه، مدار مبدل بوست و شکلموجهای آن نشان داده شده است. در مدار مذکور، اندوکتانس برابر با ، خازن برابر با و اندازه بار مقاومتی است. فرکانس سوئیچینگ نیز است. همچنین، ولتاژ ورودی و چرخه وظیفه هستند. شکل ۴، مدار مبدل و شکل ۵، ولتاژ خروجی، ولتاژ سلف و ولتاژ ماسفت را نشان میدهند.


شکلموج جریان خروجی، جریان خازن، جریان دیود و جریان سلف نیز در شکل ۶ نشان داده شده است.

اگر این مطلب برای شما مفید بوده است، آموزشهای زیر نیز به شما پیشنهاد میشوند:
- آموزش الکترونیک صنعتی و مبدل ها
- آموزش الکترونیک قدرت – شبیه سازی در متلب و سیمولینک
- آموزش الکترونیک قدرت 1
- آشنایی با قطعات الکترونیک قدرت — مجموعه مقالات مجله فرادرس
- تقویت کننده های الکترونیکی — مجموعه مقالات جامع وبلاگ فرادرس
- یکسوساز تمام موج — به زبان ساده
^^













سلام و خسته نباشید الان ما شکل موج هارو چجوری باید تحلیل کنیم ؟
راهی هست توضیح بدید؟
سلام
حداکثر توان قابل دستیابی تو مبدل بوست چیه؟
چه طور میشه به دست اورد؟( برای مبدل های مشابه یا ترکیبی با بوست)
با سلام و درود به وب سایت بینظیرتون
خواستم بدونم میشه بعد از کنتور یک ترانس کاهنده قرار بدیم مثلا 12 ولت بعد یه ترانس افزاینده بزاریم و دوباره اونو به 220 ولت برسونیم اونوقت مصرف کننده هارو به متصل کنیم
این جوری ما از کنتور برق 12 ولت گرفتیم اما با قرار دادن افزاینده مصرف کننده هامونو وصل میکنیم
و در واقت پول برق 12 ولت رو میدیم ولی 220 ولت استفاده میکنیم
سلام خدمت شما استاد عزیز اقای حمیدی
بابت مطالب که گداشتید از شما و فرادرس تشکر میکنم…..
یک خواهش دارم از شما و مجموعه فرادرس
دروس و مطالب خیلی تخصصی هستش لطف کنید سطر بندی بشه مطالب اموزشی الان من اگر بخوام این مطالب رو برای پسرم بذارم براش قابل فهم نیست…در صورتی که خیلی از بچه های با سن های کم علاقه مند به الکترونیک هستند ولی متاسفانه اموزش ها همه تخصصی هست در صورتی که فرادرس گنجایش این کارو داره ..بعضی ها فکر می کنند انگار اگه ساده وشیوا بشه افت داره واسه مجموعه من خودم اولین هویه که خریدم از این دسته چوبی ها در ۷ سالگیم بود علاقه داشتیم ولی امکانات نداشتیم نمیدونم هویه دسته چوبی رو چه کردم الان یادم اومد … خلاصه لطف کنید لحاظ کنید ممنون و تشکر از شما و مجموعه
سلام مصرف برق واحدش ولتاژ نیست توان الکتریکی هست اگر فکر مبکنید با این کار پول برق ۱۲ ولت رو میدید سخت در اشتباهید چون به خاطر تلفات حتی بیشتر از برق ۲۲۰ معمولی باید هزینه بپردازید
سلام ممنون از آموزش یه سوال مبتدی داشتم چون من تازه کارم تو الکترونیک می خواستم بپرسم چرا استفاده از ماسفت یا هر ترانزیستور دیگری موازی با مدار باعث اتصال کوتاه نمیشه مگه ماسفت به صورت بایاس معکوس از مثبت به زمین متصل نشده لطفا جواب بدین این موضوع تو درک خیلی از مفاهیم برام مهمه ممنون.
سلام علی عزیز.
برای آشنایی با عملکرد ترانزیستورها در شرایط مختلف، پیشنهاد میکنیم آموزشهای زیر را مطالعه کنید:
سالم و موفق باشید.
سلام وعرض ادب
تشکر فراوان به خاطر تدریس های شما
سلام و و تشکر فراوان بخاطر سایت خوبی که دارین و همچنین اموزش های خوب تون.
من یک سوال دارم و اون مربوط به دیودی Diode هست که تو سرکت استفاده شده. اینجا ما برای اینکه جریان دوباره بر نگرده استفادش کردیم. اما من خوب نفهمیدم ولتاژی که دیود باید داشته باشه.نظر به چی تعیین میشه. مثلا اگه 6 ولت باشه چی میشه اگه 9 ولت باشه چی میشه و یا 33 ولت
سلام
هیچ فرقی نمیکنه فقط باید ولتاژ شکست دیود بیشتر از ولتاژ خروجی باشد اگر غیر این صورت باشد بدنه دیود ذوب میشود
سلام من یه سوال دارم
خروجی جریان این مبدل چجوری محاسبه میشه؟