مبدل باک (Buck) – به زبان ساده (+ دانلود فیلم آموزش رایگان)
در آموزشهای قبلی مجله فرادرس، با قطعات الکترونیک قدرت و کاربردهای آنها آشنا شدیم. همچنین مفاهیم اولیه و انواع مبدلهای DC/DC را به طور خلاصه بیان کردیم. در این آموزش، مبدل باک (Buck Converter) یا کاهنده را معرفی خواهیم کرد که ولتاژ DC ورودی را به یک ولتاژ DC کوچکتر در خروجی کاهش میدهد.


فیلم آموزشی مبدل باک
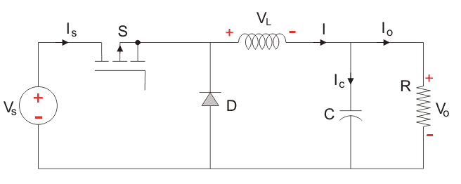
شکل زیر، یک مبدل باک را نشان میدهد.

همانگونه که از شکل بالا مشخص است، منبع ولتاژ به یک قطعه نیمهرسانای حالت جامد یا همان قطعه الکترونیک قدرت کنترلپذیر متصل شده که مانند یک کلید عمل میکند. این قطعه میتواند یک ماسفت (MOSFET) قدرت یا IGBT باشد. معمولاً از تریستورها در مبدلهای DC/DC استفاده نمیشود؛ زیرا خاموش کردن یک تریستور در مدار DC/DC نیازمند یک کموتاسیون دیگر است که خود مستلزم استفاده از تریستور دیگری خواهد بود. این در حالی است که میتوان به سادگی، ماسفت قدرت را با اعمال ولتاژ به پایههای گیت و سورس و نیز IGBT را با اعمال ولتاژ به پایههای گیت و کلکتور خاموش کرد.
کلید نیمهرسانای دیگر که در مدار مبدل باک به کار رفته است، یک دیود است. کلید و دیود، به یک فیلتر LC پایینگذر متصل شدهاند. فیلتر به گونهای طراحی شده که ریپل ولتاژ و جریان را کاهش دهد. بار نشان داده شده در شکل 1 نیز یک بار مقاومتی خالص است.
ولتاژ ورودی مدار و جریان گذرنده از بار، ثابت هستند. بار را میتوان به صورت یک منبع جریان نیز در نظر گرفت.
سوئیچ کنترلشده با استفاده از مدولاسیون پهنای پالس (PWM) خاموش و روشن میشود. PWM میتواند مبتنی بر فرکانس یا زمان باشد. مدولاسیون مبتنی بر فرکانس، معایبی از قبیل وجود محدوده گستردهای از فرکانسها برای رسیدن به کنترل مناسب به منظور رسیدن به ولتاژ خروجی مطلوب دارد. این گستردگی محدوده فرکانس، منجر به یک طراحی پیچیده برای فیلتر LC پایینگذر میشود.
در مبدلهای DC/DC اغلب از مدولاسیون مبتنی بر زمان استفاده میشود. تولید و استفاده از این مدولاسیون ساده است و در آن، فرکانس ثابت میماند.
مُدهای کاری مبدل باک
مبدل باک دو مد کاری دارد. مد اول، وقتی است که کلید روشن بوده و جریان را هدایت میکند.
شکل زیر، این مد کاری را نشان میدهد.

ولتاژ خازن در حالت ماندگار برابر با ولتاژ خروجی است. فرض کنید کلید به مدت روشن و به اندازه خاموش است. با در نظر گرفتن دوره تناوب به گونهای که ، فرکانس سوئیچینگ به صورت زیر است:

اکنون پارامتر دیگری به نام چرخه وظیفه (Duty Cycle) را به صورت زیر تعریف میکنیم:

اکنون عملکرد حالت ماندگار مبدل باک را در این مد بررسی میکنیم. با استفاده از KVL، میتوان نوشت:

وقتی کلید به مدت روشن باشد، میتوان گفت و داریم:

هنگام تحلیل مبدل باک، باید نکات زیر را در نظر داشته باشید:
- جریان سلف پیوسته است.
- جریان حالت ماندگار در طول زمان روشن بود کلید، با شیب مثبتی از یک مقدار مثبت به مقدار ماکزیمم میرسد و سپس با یک شیب منفی کاهش یافته و به مقدار قبلی خواهد رسید. بنابراین، تغییر خالص جریان در هر تناوب صفر است.
در مد دوم، انرژی ذخیرهشده در سلف آزاد شده و بدون محدودیت در مقاومت بار تلف میشود. این اتفاق سبب میشود عبور جریان در بار تداوم داشته باشد. برای تحلیل مدار در این مد، از KVL استفاده میکنیم.

بنابراین، در حالت ماندگار، میتوانیم روابط زیر را با استفاده از KVL برای مد کاری دوم مبدل باک بنویسیم:

از آنجایی که کلید در زمان باز است، میتوانیم بگوییم که در این مد، است. بنابراین، تغییرات جریان در این مد به صورت زیر محاسبه میشود:

قبلاً گفتیم که تغییرات خالص جریان سلف در هر چرخه یا دوره تناوب، برابر با صفر است. بنابراین، میتوان نوشت:

در ادامه، مدار مبدل باک و شکلموجهای آن نشان داده شده است. در مدار مذکور، اندوکتانس برابر با ، خازن برابر با و اندازه بار مقاومتی است. فرکانس سوئیچینگ نیز است. همچنین، ولتاژ ورودی و چرخه وظیفه هستند. شکل ۴، مدار مبدل و شکل ۵، ولتاژ خروجی، ولتاژ سلف و ولتاژ ماسفت را نشان میدهند.


شکلموج جریان خروجی، جریان سلف، جریان ورودی، جریان دیود و جریان خازن نیز در شکل ۶ نشان داده شده است.

اگر این مطلب برای شما مفید بوده است، آموزشهای زیر نیز به شما پیشنهاد میشوند:
- آموزش الکترونیک صنعتی و مبدل ها
- آموزش الکترونیک قدرت – شبیه سازی در متلب و سیمولینک
- آموزش الکترونیک قدرت 1
- آشنایی با قطعات الکترونیک قدرت — مجموعه مقالات مجله فرادرس
- تقویت کننده های الکترونیکی — مجموعه مقالات جامع وبلاگ فرادرس
- یکسوساز تمام موج — به زبان ساده
^^













سلام و عرض ادب خدمت بزرگواران.
آیا مقادیری که در شکل ۴ برای المان ها عنوان شده، در مدار واقعی قابل اجرا هستند؟
آیا امکان دارد از بزرگواران کسی نوع comparator و pwm و ماسفت و سلف و مقادیر سلف و دیگر المان ها برای یک مدار واقعی ۰ تا ۳۰ ولت را بیان کند؟
این اموزش کدام دوره استاد زندیه
با سلام؛
فیلمهای آموزشی داخل مطالب مجله فرادرس، در بیشتر موارد به صورت آموزشهای کوتاه (آموزک) منتشر شدهاند و متعلق به دوره آموزشی خاصی نیستند.
با تشکر از همراهی شما با مجله فرادرس
توضیحات بسیار روان و خوب بود. ممنون
سلام و درود فراوان خوب مطلب توضیح داده شده است و یک پیشنهاد دارم اگر امکان دارد مبدل باک و کلیه مدارات با چیدن المانها در روی برد و همراه با محاسبات ریاضی و محاسبات تلفات و بررسی دلایل اختلاف نتایج عملی با نتایج روی کاغذ توضیح و راه حل ها امتحان می شد بسیار بسیار عالی تر می شد فکر می کنم با عینی سازی فرمول های ریاضی و محاسبات به صورت عملی همراه با یک مدار واقعی با المان های واقعی نه صرفا نوشتن روی کاغذ باشد هیچ وقت مطالب فراموش یا گنگ نخواهند شدو این رو از دید یک دانشجوی ارشد رشته الکترونیک و یک معلم با ۱۶ سال کار کردن در کلاس درس عرض میکنم همیشه قدردان زحمات دست اندر کاران زحمت کش و دوست داشتنی با فکر های دوست داشتنی مجموعه سایت فرادرس بوده ام و خواهم بود .تشکر و سپاس فراوان. بلوچ
با سلام؛
از ارائه بازخورد شما بسیار سپاسگزاریم. این مورد را سعی میکنیم حتما در نوشتههای آینده لحاظ کنیم.
با تشکر
دم شما گرم
با سلام
دوستان توجه داشته باشن
مطابق تست عملی مدرا ارائه شده بالا فقط با ماسفت p_chanel کار می کند و نوع N_chanel جواب نمی دهد اما اشتباها در تصویر شماتیک نماد ماسفت N_chanel گذاشته شده است.
علت این موضوع رو میتونید در لینک زیر ببینید:
“https://electronics-project-hub.com/buck-converter-circuit-using-ic-555-and-mosfet/”
سلام برای nchannel باید از درایور های ساید استفاده کنید و مشکلی نداره
سلام مجدد خدمت دوستان
من قصد داشتم با استفاده از میکرو پالس pwm به ماسفت بدم ( توجه کنید با استفاده از مدار توتم پول ماسفت رو درایو کردم نه مستقیم از میکرو)که طبق لینک بالا مدار رو بستم
نتیجه این بود که ولتاژ رو توانستم با تغییر عرض پالس تغییر بدهم
اما سلف به شدت داغ می شد که ابتدا فکر کردم مشکل از نوع سلف هست که اون رو از معمولی به تیروئیدی تغییر دادم که در نتیجه گرمای سلف کمتر شد اما بازهم در عملکرد طولانی مشکل داشت
در نهایت به این نکته پی بردم که فرکانس پالس من برای این کار بسیار کمه (1کیلو هرتز)
و طی تحقیقات مختلف مشخص شد رنج چن صد کیلو هرتز فرکانس مناسبی هست
پس تصمیم گرفتم با ESP32 که توانایی تولید پالس با فرکانس 316 کیلو و رزولوشن 8 بیت رو داره این مدار رو ببندم
مابقی رو اگر وقت شد بعد از تست و نتیجه خدمتون اطلاع میدم
سلام محمد عزیز.
انگیزه و پشتکارتان برای یادگیری ستودنیست. سپاسگزاریم که تجربهتان را با ما و مخاطبان مجله فراردس در میان گذاشتهاید.
سالم و موفق باشید.
سلام.
تصویر اصلاح شد.
از همراهی و بازخورد سازنده شما صمیمانه سپاسگزاریم.
چند دقیقه اول سیاهه کلا
سلام، وقت شما بخیر؛
از بابت گزارش این موضوع توسط شما سپاسگزاریم، ویدیو بازنگری و اصلاح شده است.